BA8050防爆控制按钮
产品特性◆本产品分为按钮头和按钮芯两部份组成;◆外壳采用玻璃纤维增强不饱和聚酯树脂压制而成;◆指示灯为高效、长寿、节能环保的 LED 光源;◆安装方式可分为上装式和下装式两种;◆上装式:按钮头和按钮芯直接安装在壳盖上;◆下装式 : 按钮芯采用专用导轨或螺钉安装在壳体上,按钮头罩安装在壳盖上。环境用途◆本产品为防爆元件类,应和增安型防爆外壳配套使用,不得单独使用于爆炸性环境;◆本产品适用于 LBZ8
- 型号: BA8050
产品特性◆本产品分为按钮头和按钮芯两部份组成;◆外壳采用玻璃纤维增强不饱和聚酯树脂压制而成;◆指示灯为高效、长寿、节能环保的 LED 光源;◆安装方式可分为上装式和下装式两种;◆上装式:按钮头和按钮芯直接安装在壳盖上;◆下装式 : 按钮芯采用专用导轨或螺钉安装在壳体上,按钮头罩安装在壳盖上。环境用途◆本产品为防爆元件类,应和增安型防爆外壳配套使用,不得单独使用于爆炸性环境;◆本产品适用于 LBZ8
产品特性
◆本产品分为按钮头和按钮芯两部份组成;
◆外壳采用玻璃纤维增强不饱和聚酯树脂压制而成;
◆指示灯为高效、长寿、节能环保的 LED 光源;
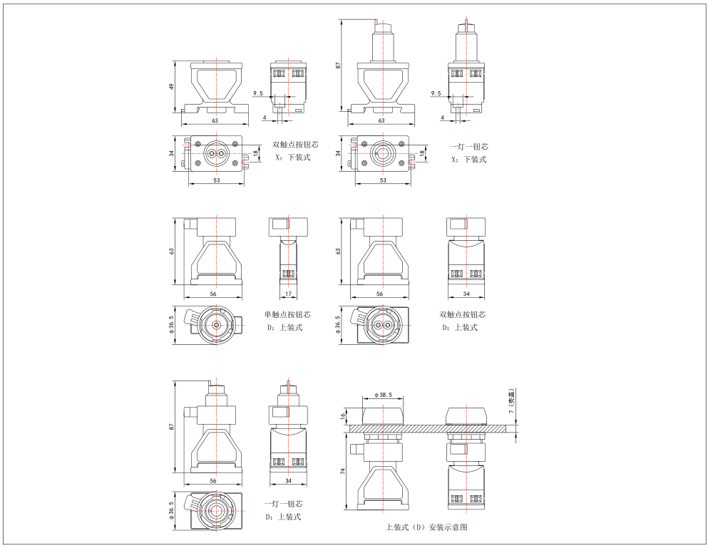
◆安装方式可分为上装式和下装式两种;
◆上装式:按钮头和按钮芯直接安装在壳盖上;
◆下装式 : 按钮芯采用专用导轨或螺钉安装在壳体上,按钮头罩安装在壳盖上。
环境用途
◆本产品为防爆元件类,应和增安型防爆外壳配套使用,不得单独使用于爆炸性环境;
◆本产品适用于 LBZ81 系列防爆操作柱;
◆本产品适用于 LBZ8050 系列防爆操作柱;
◆本产品适用于 LA53 系列防爆操作柱;
◆本产品适用于 LA8050 系列防爆操作柱;
◆本产品适用于 BXK 系列防爆控制箱;
◆本产品适用于 BXK8050 系列防爆防腐控制箱。
技术参数
◆防爆标志:Exde Ⅱ CT6;
◆按钮额定电压:AC220~380V、DC220V;
◆按钮额定电流:10A(16A)
◆指示灯额定电压 :AC/DC 12~36V、AC/DC48~120V、DC220V、AC220~380V;
◆指示灯额定电流:20mA;
◆指示灯功率:≤ 2W(LED);
◆机械寿命:10 万次;
◆适用环境温度:-40℃ ~+45℃;
◆接线端线适用线径:2.5mm 2 ;
◆执行标准:GB3836.1~3,IEC60079-0、IEC60079-1、IEC60079-7。
按钮头颜色

外型图示及安装

按钮芯触头形式 
按钮头代号
指示灯颜色